komplexní energetické řešení
Rozpočet: 19 972 000 Kč
Financování: Operační program životního prostředí
Úspora energie: 1.427 GJ/rok.
Úspora provozních nákladů na vytápění: 891 000 Kč/rok.
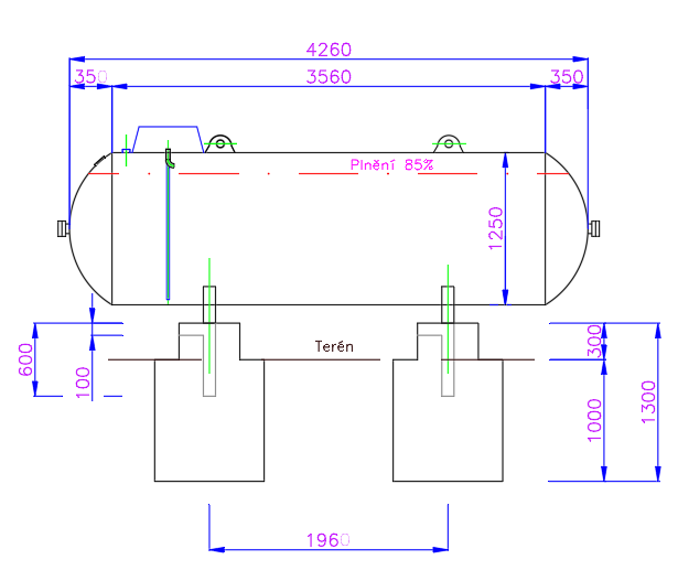
Stavba zahrnovala vybudování nadzemního tankoviště plynu, zemního plynovodu a úpravu plynové kotelny. Současně bylo provedeno zateplení obvodových stěn a střech a výměna výplní budov školy. Na střeše byly instalovány solární panely pro ohřev teplé vody











